18. GX - Aggregaat Automatische Start/Stop
18.1. Inleiding
Door het integreren van een AC- of DC aggregaat met een GX apparaat komen de volgende functies beschikbaar:
Algemene functies:
Automatische aggregaat besturing: Start en stop het aggregaat automatisch met de ”Aggregaat auto start/stop” functionaliteit op basis van verschillende systeemvoorwaarden.
Handmatige besturing en planning: Start en stop het aggrgaat handmatig, met de optie om een geplande werking in te plannen.
Onderhoud bewaking: Bewaak bedrijfsuren en onderhoudsintervallen.
Langere levensduur aggregaat: Geïntegreerde opwarming- en afkoelingsfuncties zorgen voor correcte smering vóór belasting en voorkomen plotselinge uitschakelingen.
Voor gekoppelde aggregaten:
Prestatie bewaking: Bekijk AC- of DC productie gegevens.
Motor parameters volgen: Bewaak druk, temperatuur, RPM, startaccu spanning en brandstoftank niveaus.
Foutwaarschuwingen: Ontvang mededelingen over systeemfouten.
DVCC ondersteuning: Geselecteerde DC aggregaten ondersteunen Gedistribueerde spanning en stroom regeling (raadpleeg het DVCC - Gedistribueerde spanning en stroom regeling) hoofdstuk.
Bewaking en besturing zijn niet alleen beschikbaar op het GX apparaat zelf, maar ook via het VRM Portaal en de Maritieme MFD HTML5 app. Raadpleeg voor meer details de VRM Portaal en Maritieme MFD integratie door app hoofdstukken.
Meer algemene informatie over het plannen van een Victron systeem met een aggregaat is ook beschikbaar in de MultiPlus Aggregaat Veelgestelde vragen.
18.2. Hoe integreren
Er zijn twee integratie mogelijkheden:
Relais gestuurde integratie: Een bedraad potentiaalvrij start/stopsignaal wordt ondersteund via relais 1 van het GX apparaat (raadpleeg hoofdstuk 17.2.7 voor relaisgestuurd start/stopsignaal).
Gekoppelde aggregaat integratie: Als het aggregaat of de besturing in de onderstaande tabel staat, wordt digitale communicatie ondersteund voor uitlezing en besturing via VE.Can, Ethernet of RS485 (via een RS485 naar USB omvormer zoals de Victron RS485 naar USB interface).
Ondersteunde AC aggregaat besturingen voor gekoppelde aggregaat integratie
Fabrikant | Model | Koppelingstype | Opmerkingen |
|---|---|---|---|
ComAp | InteliLite 4 AMF 25 InteliLite 4 AMF 20 InteliLite 4 AMF 9 InteliLite 4 AMF 8 InteliLite 4 MRS 16 | Ethernet | |
CRE Technologie | Compacte AMF Gensys Compact Prime Gensys Compact Mains | Ethernet | |
Deep Sea Electronics | DSE4620 | Ethernet of RS485 | Voor Ethernet: Raadpleeg 1) Voor RS485: Raadpleeg 2) en 3) |
DSE6120 | |||
DSE4510 MKII | |||
DSE4520 MKII | |||
DSE6110 MKII | |||
DSE6120 MKII | |||
DSE7310 MKII | Voor Ethernet: Raadpleeg 1) Voor RS485: Raadpleeg 3) | ||
DSE 7410 MKII | Voor RS485: Raadpleeg 4) | ||
DSE 7420 MKII | |||
DSE8610 MKII | |||
DSE8620 MKII | |||
DSE8660 MKII | |||
DEIF | AGC 150 Aggregaat | Ethernet of RS485 | Voor RS485: Raadpleeg 4) |
AGC 150 Hybride | |||
AGC 150 PMS Lite | |||
Fischer Panda | xControl | VE.Can | |
iAggregaat | |||
fpControl | |||
1) Dit model heeft geen Ethernet verbinding. Daarom is het Deep Sea Electronics DSE855 USB naar Ethernet communicatie apparaat, of een andere DSE gateway met Ethernet vereist. 2) Dit model heeft geen RS485 verbinding. Daarom is het Deep Sea Electronics DSE857 USB to RS485 communicatie apparaat, of een andere DSE gateway met Ethernet vereist. 3) De Hjelmslund Electronics USB485-STIXL geïsoleerde USB naar RS485 omvormer is vereist (https://hjelmslund.eu/) 4) Dit model heeft een ingebouwde geïsoleerde RS485 poort; echter de Victron RS485 naar USB interface is vereist. | |||
Ondersteunde DC aggregaat besturingen voor gekoppelde aggregaat integratie
Fabrikant | Model | Koppelingstype | Opmerkingen |
|---|---|---|---|
Fischer Panda | fpControl | VE.Can | |
Hatz | fiPMG | VE.Can | Ondersteunt DVCC spanningsregeling |
Belangrijk
Het GX apparaat ondersteunt maar één aangesloten aggregaat besturing. Zorg er bij het integreren via Ethernet voor dat slechts één aggregaat besturing toegankelijk is voor het GX apparaat.
18.2.1. Relais gestuurd start/stopsignaal
De meeste aggregaten ondersteunen een extern start/stop signaal, kenmerkend via een potentiaalvrij contact. Het sluiten van het contact start het aggregaat, terwijl het openen het aggregaat stopt.
Bepaalde aggregaten vereisen pulserende signalen in plaats van een voortdurende verbinding. In dergelijke gevallen kunnen extra timing relais nodig zijn (zie onderaan). Raadpleeg altijd de aggregaat handleiding of raadpleeg de leverancier voor meer informatie over de bedrading van het remote startsignaal.
Op het GX apparaat moet het Relais 1 gebruikt worden om het aggregaat te besturen. Ga, na het aansluiten van de aggregaat ingang op Relay 1, naar Instellingen → Integraties → Relais → Functie (Relais #) → Aggregaat start/stop. Als Relay 1 ingesteld is op “Aggregaat start/stop” ontstaat er toegang tot de gerelateerde instellingen via Instellingen → Aggregaat start/stop → Aggregaat. |
18.3. Aggregaat start/stop menu
Men kan naar de algemene overzichtspagina van de aggregaat start/stop functie gaan via Instellingen → Apparaten → Aggregaat. Deze pagina kan worden gebruikt om de status van het aggregaat te bewaken, de foutstatus te bekijken, toegang te krijgen tot looptijd en onderhoud en de nodige instellingen te maken.
De individuele menu items hebben de volgende functies:
| |
(*) Alleen van toepassing op gekoppelde aggregaten. (*2) Alleen van toepassing op voor gekoppelde aggregaten. | |
18.4. Instellingen menu
Ga, in het aggregaat start/stop menu, omlaag en tik op instellingen om het instellingenmenu naar voor te brengen.
|
18.4.1. Alarm als autostartfunctie uitgeschakeld wordt
Als deze optie ingeschakeld is, dan wordt een alarm gestart als de autostart functie langer dan 10 minuten uitgeschakeld blijft. Dit is vooral handig als het aggregaat net een onderhoud heeft gehad en de onderhoudstechnicus vergeten is het aggregaat opnieuw in autostart modus te zetten. Deze functie zorgt ervoor dat de autostartfunctie niet per ongeluk wordt uitgeschakeld. Voor digitaal aangesloten aggregaaten, zoals DSE, ComAp en Fischer Panda controleert het ook of remote starten is ingeschakeld op het paneel van het aggregaat. Er kunnen twee alarmen worden geactiveerd:
|
18.4.2. Bedrijfstijd en onderhoudsinterval menu
Elke generator moet na een bepaalde periode worden onderhouden. Het aanbevolen onderhoudsinterval hangt voornamelijk af van het gebruik en de bedrijfstijd. In dit menu kan een onderhoudsinterval ingesteld worden, waarbij een teller wordt gestart die een waarschuwing geeftals er onderhoud nodig is. De menu-items in detail:
|
18.4.3. Opwarm- & afkoel menu
Met het menu voor opwarmen en afkoelen kan de tijd ingesteld worden die het aggragaat nodig heeft om op te warmen of om af te koelen voor of na gebruik. Dit wordt bestuurd via een relais terwijl het AC ingang relais open is en de omvormer/lader niet is aangesloten.
Dit menu is ook van toepassing op digitaal verbonden aggregaten (bv., over Modbus), waar de GX relais niet gebruikt wordt.
Opmerking: deze functie vereist VE.Bus omvormer/acculader firmware 502 of nieuwer. Het wordt ook ondersteund op Multi RS omvormers/acculaders met firmware v1.17 of nieuwer.
Opwarmstijd:
Afkoeltijd:
Stoptijd aggregaat:
|
18.5. Voorwaarden voor auto start/stop
Bij verlies van communicatie: Als er zich ooit een communicatie uitval voordoet tussen de EGX en de VE. Bus omvormer/acculader en de start/stop parameters van het aggregaat afhankelijk zijn van deze gegevens, kies dan één van de volgende acties:
Stop aggregaat als AC ingang beschikbaar is: Nuttig voor back-up systemen waarbij een Quattro is aangesloten op het elektriciteitsnet op AC in 1 of AC in 2, met een aggregaat op de andere AC ingang. Als dit is ingeschakeld, stopt het aggregaat pas als de netvoeding is hersteld na een storing. |
De volgende parameters kunnen door de gebruiker worden gedefinieerd om een automatische start/stop van het aggregaat te activeren:
(* De hier gemeten waarde is het totale AC stroomverbruik van het systeem.)
De voorwaardeparameters krijgen de prioriteit in de bovenstaande volgorde. Als meerdere voorwaarden tegelijkertijd worden bereikt, dan wordt alleen de voorwaarde met de hoogste prioriteit als actief weergegeven. Alle ingeschakelde voorwaarden worden geëvalueerd, zelfs als het aggregaat al actief is. Als aan een actieve voorwaarde is voldaan, houdt een parameter van een voorwaarde met een lagere prioriteit het aggregaat draaiende.
18.5.1. Aggregaat stop als AC ingang beschikbaar is
Deze optie is ideaal voor noodstroom systemen waar een Quattro met één AC ingang verbonden is met netspanning en de andere met een aggregaat.
Indien ingeschakeld en de AC ingang, die is aangesloten op het elektriciteitsnet, is gedefinieerd, stopt het aggregaat automatisch zodra de netvoeding is hersteld na een storing in het elektriciteitsnet. Het proces volgt deze stappen:
Het aggregaat wordt eerst ontkoppeld.
Een afkoelperiode wordt toegepast, gebaseerd op de ingestelde instelling.
Een extra 15 seconden is toegestaan voor het aggregaat om afsluiten te voltooien.
|
18.5.2. Start/Stop gebaseerd op accu laadstatus
Deze functie laat aggregaatbesturing toe, gebaseerd op niveaus van laadstatus accu (SoC).
|
18.5.3. Start/Stop gebaseerd op accuspanning
Met deze functie kan het aggrgaat worden bestuurd op basis van het spanningsniveau van de accu.
|
18.5.4. Start/Stop gebaseerd op AC belasting
AC belasting activaties werken op dezelfde manier als andere activaties, maar de functie wordt verfijnd door een instelling van de meting. De instelling van de meting is beschikbaar op firmware v2.0 en hoger en heeft drie mogelijke waarden:
|
18.5.5. Start/Stop gebaseerd op hoge temperatuur van omvormer
Deze functie laat aggregaat activering toe, gebaseerd op waarschuwingen van omvormer temperatuur.
|
18.5.6. Start/Stop gebaseerd op overbelasting van de omvormer
Deze functie maakt activering van het aggregaat mogelijk als reactie op een waarschuwing voor overbelasting van de omvormer.
|
18.5.7. Start/stop gebaseerd op tankniveau
Met deze functie kan het aggregaat worden gedeactiveerd op basis van het tankniveau, waardoor luchtsloten worden voorkomen als de tank leeg raakt.
|
18.5.8. Periodieke inbedrijfstelling
Met deze functie kan het periodiek automatisch aggregaat gestart worden.
|
18.5.9. Functie handmatige start
Met de functie Handmatige start kan het aggrgaat op afstand starten. Als het aggregaat al draait, voorkomt een druk op Start dat deze automatisch stopt als aan de voorwaarde is voldaan die de start activeerde. Met andere woorden, Handmatige Start heft de autostopparameters op.
Manieren om het aggregaat handmatig te starten:
Let opAls handmatig (remote) wordt gestart zonder een stop timer (getimede loopfunctie), dan blijft deze onbeperkt draaien totdat deze handmatig wordt uitgeschakeld.
|
18.5.10. Stille uren
Met de functie Stille uren kan een periode ingesteld worden waarin het geluid van het aggregaat storend is. Tijdens deze periode zal het aggregaat alleen starten als dat absoluut noodzakelijk is, met behulp van aangepaste autostartcondities.
Hoe stille uren inschakelen
Houd er rekening mee dat als de start- en stoptijden op dezelfde waarde worden ingesteld, Stille uren onbeperkt actief blijven als ze zijn ingeschakeld. |
“Stille uren” gebruiken als hulpmiddel om twee sets gebruikersvoorkeuren te definiëren
De Stille uren functie kan ook gebruikt worden om te bepalen hoe het systeem reageert op verschillende. Bijvoorbeeld:
Vroeg in de ochtend/lage laadstatus: De acculaadstatus is vaak het laagst in de ochtend. Indien gecombineerd met bewolkt weer of PV panelen die op het westen staan gericht (beter werkend in de namiddag) kan het aggregaat 's ochtends automatisch starten vanwege een lage laadstatus. Later op de dag echter, als de PV energieproductie toeneemt, kan het werk van het aggregaat echter onnodig worden. Door Stille uren in deze periode in te stellen met lagere autostart drempels, kan voortijdige start van het aggregaat voorkomen worden en beter gebruik maken van de beschikbare PV energie.
Vakantiehuis: In een vakantiehuis is de stroomvraag beduidend hoger als het huis bezet is dan als het huis leeg staat. De functie Stille uren kan helpen door lagere drempels voor automatisch opstarten toe te passen als het huis in gebruik is en hogere drempels als het leeg staat.
Om dit te implementeren:
Stel Stille uren in als een permanente voorwaarde (raadpleeg boven) terwijl het huis bewoond is.
Schakel Stille uren UIT als het huis leeg is om het standaardgedrag van het aggregaat mogelijk te maken.
18.6. ComAp besturing
18.6.1. Inleiding
Hoe werkt het?
Het GX apparaat communiceert (lezen/zenden) met het InteliLite 4 paneel via Modbus-TCP over Ethernet, met behulp van de ComAp CM3 Ethernet module (vereist) als de communicatie interface. Modbus registers moeten opnieuw worden toegewezen met de InteliConfig software.
Een overzicht van alle gebruikte Modbus registers en hun vereiste toewijzingen kan in de bijlage gevonden worden: Modbus houdregisters voor de ComAp InteliLite 4 besturing
Na het toepassen van de toewijzingen detecteert het GX apparaat automatisch de aanwezigheid van een ComAp InteliLite 4-besturing door identificatiestring in Modbus register 1307 te gebruiken. Het GX apparaat herkent alle modules met namen die beginnen met "InteliLite4-". Deze identificatiestring verschijnt ook in de titelbalk van het InteliConfig venster.

18.6.2. Vereisten
GX apparaat met Venus OS v3.42 of later
Ondersteunde ComAp besturing
CM3-Ethernet module (ComAp bestelcode: CM3ETHERXBX)
Het GX apparaat kan ook werken met de standaard CM Ethernet module (ComAp bestelcode: CM2ETHERXBX), maar is nog niet getest.
Ethernet netwerk apparatuur
18.6.3. Installatie & Instellingen
Installatie en instellen wordt in maar enkele stappen gedaan De Modbus Server in de CM3-Ethernet module moet ingeschakeld worden. Dit kan gedaan worden vanuit het bedieningspaneel of via de software voor de besturing, InteliConfig, die gedownload kan worden vanaf de ComAp website.
Er is geen verdere instelling van de ComAp CM3-Ethernet module vereist.
De Modbus registers moeten worden aangepast met de InteliConfig software volgens de register lijst zoals beschreven in Modbus houdregisters voor de ComAp InteliLite 4 besturing
Instelling ComAp besturing
De volgende procedure beschrijft de stappen voor het gebruik van de InteliConfig instellingssoftware. Zorg ervoor dat de nieuwste versie wordt gebruikt en aangesloten is op de besturing:
Zorg voor juiste eenheden/vermogenformaat:
Selecteer het instellingstabblad van de besturing
Kies andere
Selecteer eenheden/vermogenformaat
Zorg ervoor dat eenheden ingesteld zijn op “Meeteenheid - 20°C, 10.0 Bar, 11.4 l/h” en dat vermogenformaat ingesteld staat op “Standaard 1 kW/kVA/kVAr 1 V

Kies sensoren
Selecteer "VDO 10 Bar" en zorg ervoor dat de resolutie is ingesteld op "0,1" en Dim is ingesteld op "Bar".

Selecteer nu "VDOLevel %" en zorg ervoor dat de Resolutie is ingesteld op "1" en Dim is ingesteld op "%".

Opnieuw toewijzen Modbus registers:
Selecteer in hetzelfde venster MODBUS
Download het Modbus afbeelding bestand voor Victron Energy: ComAp InteliLite GX afbeelding
Klik onderaan, onder Import/Export, op het Import pictogram rechts
Selecteer het gedownloade toewijzingen bestand en klik op OK
Klik in de rechter benedenhoek op de schrijven toets om de instelling op de besturing op te slaan
Het ComAp Modbus afbeelding UMOD bestand bevat de noodzakelijke Modbus register toewijzingen, zoals vereist door het GX apparaat. Een voor mensen leesbaar formaat van de toewijzing is ook te vinden in de bijlage: Modbus houdregisters voor de ComAp InteliLite 4 besturing.


Inschakelen van de Modbus server van de besturing
Selecteer het instelpunt tabblad
Selecteer in het volgende menu de CM-Ethernet module
Schakel de Modbus server in

Instellen GX apparaat
Als het GX apparaat en de aggregaat besturing op hetzelfde netwerk zijn aangesloten dan verschijnt de besturing automatisch in de apparatenlijst. De afbeelding toont een voorbeeld van een DSE aggregaat besturing. Als het niet verschijnt, controleer dan de Modbus instellingen op het GX apparaat door te gaan naar Instellingen → Integraties → Modbus apparaten. Zorg ervoor dat Automatisch scannen ingeschakeld is (dit is de standaard instelling) of zoek handmatig naar het apparaat; de besturing moet gedetecteerd worden en vermeld onder het ontdekte apparaten sub-menu. Voor een betrouwbare werking moet automatisch scannen ingeschakeld blijven, omdat het netwerk elke tien minuten wordt doorzocht. Als het IP adres wijzigt, wordt het apparaat opnieuw ontdekt. Het is echter aan te raden om een statisch IP adres toe te wijzen aan de regelaar om onverwacht communicatie verlies te voorkomen. |
18.7. CRE Technology besturing.
18.7.1. Inleiding
Hoe werkt het?
Het GX apparaat communiceert met de CRE besturing door gegevens te lezen en te verzenden volgens de Modbus-TCP specificatie van de besturing, via de Ethernet verbinding van de CRE besturing.
Door gebruik te maken van de identificatie waarden die via Modbus worden opgehaald, detecteert het GX apparaat automatisch de aanwezigheid van de besturing.
18.7.2. Vereisten
GX apparaat met Venus OS v3.50 of later
Ondersteunde CRE besturing met firmware versie van v2.0 of later
Ethernet netwerk apparatuur
18.7.3. Installatie & Instellingen
Eerste vereisten
Met de CRE besturing kunnen de eenheden voor druk en temperatuur gewijzigd worden; het GX apparaat verwacht echter dat de oliedruk wordt ingesteld in bar en de temperatuur in °C. Zorg ervoor dat de eenheden juist zijn ingesteld.
Instellen GX apparaat
Als het GX apparaat en de aggregaat besturing op hetzelfde netwerk zijn aangesloten dan verschijnt de besturing automatisch in de apparatenlijst. De afbeelding toont een voorbeeld van een DSE aggregaatbesturing. Als het niet verschijnt, controleer dan de Modbus instellingen op het GX apparaat door naar Instellingen → Integraties → Modbus-apparaten te gaan. Zorg ervoor dat Automatisch scannen ingeschakeld is (dit is de standaard instelling) of zoek handmatig naar het apparaat; het moet gedetecteerd worden en vermeld onder het ontdekte apparaten sub-menu. Voor een betrouwbare werking moet automatisch scannen ingeschakeld blijven, omdat het netwerk elke tien minuten wordt doorzocht. Als het IP adres wijzigt, wordt het apparaat opnieuw ontdekt. Het is echter aan te raden om een statisch IP adres toe te wijzen aan de regelaar om onverwacht communicatie verlies te voorkomen. |
18.8. DSE Ondersteuning voor Deep Sea aggregaat besturing
18.8.1. Inleiding
Door een Deep Sea Electronics (DSE) aggregaat besturing te integreren met een GX apparaat is het mogelijk AC gegevens, oliedruk, koelmiddeltemperatuur, tankniveau, aantal maal motor starten en verdere statusmeldingen uit te lezen. Bovendien ondersteunt de besturing digitale start/stop signalen van het GX apparaat.
Hoe werkt het?
Het GX apparaat communiceert met de Deep Sea Electronics (DSE) besturing door gegevens te lezen en te verzenden via de DSE "GenComm" Modbus specificatie. Deze communicatie verloopt ofwel via de Ethernet verbinding van de DSE besturing zelf of, voor besturingen zonder een Ethernet interface, via het Deep Sea Electronics DSE855 USB naarEthernet communicatie apparaat of een andere compatibele Ethernet DSEModbus-TCP gateway die ondersteunt.
Aan de hand van de via Modbus verkregen identificatie waarden detecteert het GX apparaat automatisch de aanwezigheid van de besturing.
18.8.2. Vereisten
GX apparaat met Venus OS v3.12 of later
Ondersteunde DSE besturing
Voor modellen die alleen USB-verbindingen aanbieden (raadpleeg de tabel in Hoe integreren), is een Deep Sea Electronics DSE855 (of een gelijkaardig apparaat) vereist.
Ethernet netwerk apparatuur
Speciaal geval: DSE 4520 MKII (Venus OS v3.50 of later)
In tegenstelling tot alle andere ondersteunde DSE besturingen accepteert de DSE 4520 MKII geen besturingscommando's via digitale communicatie. Daarom moet een bedraad besturingssignaal worden gebruikt via de functie "Aangesloten aggregaat hulprelais". Meer informatie kan gevonden worden in het volgende hoofdstuk.
18.8.3. Installatie & Instellingen
Instellen GX apparaat
Als het GX apparaat en de aggregaat besturing zijn aangesloten op hetzelfde netwerk, dan verschijnt de besturing automatisch in de apparatenlijst. Als het niet verschijnt, controleer dan de Modbus instellingen op het GX apparaat door naar Instellingen → Integraties → Modbus-apparaten te gaan. Zorg ervoor dat Automatisch scannen ingeschakeld is (dit is de standaard instelling) of zoek handmatig naar het apparaat; het moet dan gedetecteerd worden en vermeld onder het ontdekte apparaten sub-menu. Voor een betrouwbare werking moet automatisch scannen ingeschakeld blijven, omdat het netwerk elke tien minuten wordt doorzocht. Als het IP adres wijzigt, wordt het apparaat opnieuw ontdekt. Het is echter aan te raden om een statisch IP adres toe te wijzen aan de regelaar om onverwacht communicatie verlies te voorkomen. |
Aangesloten aggregaat hulprelais
Relas 1 op het GX apparaat kan ingesteld worden als een aangesloten aggregaat hulprelais.
Met deze instelling kan relais 1 parallel werken met de digitale besturingscommando's van een aangesloten DSE 4520 MKII. Relais 1 blijft open terwijl de aggregaat gestopt wordt en sluit zodra het startcommando gegeven wordt.
Deze functie is nuttig voor:
Raadpleeg voor bedradingsinstructies Relais gestuurd start/stopsignaal |
18.9. DEIF besturing
18.9.1. Inleiding
Hoe werkt het?
Het GX apparaat leest gegevens van en verzendt gegevens naar de DEIF besturing via de Modbus specificatie van de besturing, via de Ethernet verbinding of de RS485poort 1 van de DEIF besturing. Door de identificatie waarden, via Modbus gevonden, te gebruiken, detecteert het GX apparaat automatisch de aanwezigheid van de besturing.
18.9.2. Vereisten
GX apparaat met Venus OS v3.50 of later
Ondersteunde DEIF AGC 150 besturing met firmware versie 1.19.0 (van mei 2024) of later
Voor het integreren via Ethernet: Ethernet netwerk apparatuur
Voor het integreren via RS485: Victron Energy RS485 naar USB interface (onderdeelnummer ASS030572050 of ASS030572018)
18.9.3. Installatie & Instellingen
Instellen van de juiste schaalparameter Momenteel wordt alleen de standaard waarde voor de ”Schaal" parameter (kanaal 9030, waarde 100 tot 25000 V) ondersteund. Zorg, vóór het aansluiten, dat deze instelling juist is. De instelling is beschikbaar via het scherm van de besturing bij Parameter → Basis instellingen → Meet instellingen → Schaal → Schaal. Voer, om wijzigingen te maken, het master wachtwoord in (standaard: 2002) en stel de schaalparameter in op het standaard bereik van 100 tot 25000 V. | ![]() |
Voor Ethernet verbinding Gebruik de Ethernet poort van de DEIF besturing om de besturing aan te sluiten op hetzelfde Ethernet netwerk als het GX apparaat. |
Voor RS485-verbinding De DEIF AGC 150 besturing serie heeft twee RS485 poorten, waarvan Poort 1 galvanisch geïsoleerd is. Galvanische isolatie voorkomt zogenaamde aardlussen, die anders kunnen leiden tot schade aan de apparaten door ongewenste stromen. Daarom moet Poort 1 gebruikt worden, zoals uitgelegd in de tabel. Gebruik, na het aansluiten van de besturing op het GX apparaat, het scherm van de besturing en ga naar Parameters → Communicatie → RS485 → RS485 1 → Parameters, voer het master wachtwoord in (standaard is '2002') en stel de parameters als volgt in:
|
| |||||||||||||||||||||
![]() |
Instellingen GX apparaat Als het GX apparaat en de aggregaat besturing aangesloten zijn, verschijnt de besturing automatisch in de apparatenlijst. Als de Ethernet methode gebruikt wordt en de besturing verschijnt niet, controleer dan de Modbus instellingen op het GX apparaat, Instellingen → Integraties → Modbus-Apparaten, en zorg ervoor dat Automatisch zoeken is ingeschakeld (standaard instelling) of zoek ernaar; de besturing moet automatisch worden gedetecteerd en verschijnen in het submenu Ontdekte apparaten. Om dit betrouwbaar te doen werken, moet automatisch zoeken ingeschakeld blijven. Het netwerk wordt elke tien minuten doorzocht. Als het IP adres wijzigt, wordt het apparaat opnieuw gevonden. Toch is het aan te raden om een statisch IP adres toe te wijzen aan de regelaar om onverwacht communicatie verlies te voorkomen. |
18.10. Ondersteuning voor Fischer Panda aggregaat
18.10.1. Inleiding
Het GX apparaat leest gegevens uit en verzendt deze naar het Fischer Panda aggregaat via een VE.Can verbinding met behulp van de Fischer Panda SAE J1939 module (vereist). Zowel AC- als DC aggregaten worden ondersteund.
18.10.2. Vereisten
GX apparaat met firmware v2.07 of later
Fischer Panda aggregaat, xControl, iGenerator of fpControl GC
Fischer Panda SAE J1939 CAN module (onderdeelnummer 0006107)
Fischer Panda FP Bus naar VE.Can adapter (onderdeelnummer 0023441)
Optioneel: FP-CAN naar NMEA 2000 (FP Art. Nr. 0031409)
Fischer Panda firmwarevereisten:
iControl (voor de iGenerator): v2.17 of hoger
iControl paneel: geen minimale vereisten
xControl (voor de constante snelheidaggregaten): 4V38 of hoger
xControl paneel: 4V29
fpControl (voor AC- en DC aggregaten): elke versie
fpControl paneel: 4V29 of hoger
Fischer Panda SAE J1939 CAN module: 2V05 of hoger
Fischer Panda 3-fasen module: 4V0b of hoger
Fischer Panda NMEA 2000 interface: 2V11 of hoger
18.10.3. Installatie en instelling
Aansluiten van een Fischer Panda xControl aggregaat
Het onderstaande schema laat zien hoe een Fischer Panda xControl aggregaat wordt aangesloten.
![]() |
Aansluiten van een Fischer Panda iControl aggregaat
Het onderstaande schema laat zien hoe een Fischer Panda iControl aggregaat wordt aangesloten.
![]() |
Aansluiten van een Fischer Panda fpControl aggregaat
Het onderstaande schema toont hoe aan te sluiten op een Fischer Panda fpControl aggregaat.
![]() |
18.10.4. Instellingen en bewaking van GX apparaat
Belangrijk
Belangrijk: bediening van het aggregaat is alleen mogelijk en toegestaan als het xControl- of het fpControl- of iControl paneel ingeschakeld is.
Zorg ervoor dat bij Instellingen → Connectiviteit het geselecteerde CAN-bus profiel "VE.Can VE.Can (250kbit/s)” is. Dit is de standaard en ondersteunt NMEA 2000. |
Als alle bedrading volledig is en de installatie juist uitgevoerd is, wordt de Fischer Panda getoond in de apparatenlijst: |
Het menu van het Fischer Panda apparaat openen toont het volgende: Let op dat besturing een aan/uit schakelaar heeft en statusinformatie en de belangrijkste AC parameters weergeeft: spanning, stroom en vermogen. |
Motortemperatuur, toerental en aanvullende informatie zijn beschikbaar via het submenu-item Motor. |
18.10.5. Onderhoud
Stop het aggregaat altijd met het Fischer Panda bedieningspaneel voordat er onderhoud wordt uitgevoerd aan het aggregaat. Dit schakelt de autostart functie uit, waardoor het aggregaat niet op afstand kan worden gestart, bijvoorbeeld door een Cerbo GX.
Schakel na het onderhoud de autostartfunctie weer in via het Fischer Panda bedieningspaneel in het menu Aggregaat → Autostart → Inschakelen/Uitschakelen.
18.11. Hatz fiPMG DC aggregaat
18.11.1. Inleiding
Hoe werkt het?
Het Hatz fiPMG DC aggregaat is een vliegwiel geïntegreerd Permanent Magneet aggregaat (PMG) dat zich met variabele snelheid aanpast aan verschillende belastingsniveaus. Het aggregaat wordt aangedreven door een Hatz E1 dieselmotor met elektronisch geregelde injectie.
De voedingseenheid biedt instelbare uitgangsspanningen voor 28 V of 56 V systemen en communicatie tussen PSU – ECU – Victron GX apparaat volgens SAE J1939.
De dubbele CAN omvormer heeft twee aparte CAN poorten:
CAN poort 1: Verwerkt communicatie tussen de PSU (omvormer) en de ECU van de motor.
CAN poort 2: Beheert communicatie tussen het PSU en het GX apparaat.
Ga voor meer informatie naar www.hatz.com waar toegang is tot alle elektrische schema's en extra eenheid specifieke informatie.
18.11.2. Vereisten
GX apparaat met firmware Venus OS v3.50 of later
Hatz fiPMG aggregaat met Dubbele CAN PSU (omvormer) voor DC uitgang in 28 V of 56 V
Kabel VE-CAN naar HATZ-CAN (beschikbaar voor aankoop van HATZ)
18.11.3. Installatie & Instellingen
Aansluiten van een Hatz fiPMG aggregaat
Het onderstaande schema toont hoe het Hatz fiPMG DC aggregaat aan te sluiten op het GX apparaat.

Instellingen GX apparaat
Zorg ervoor dat bij Instellingen → Services het geselecteerde CAN-bus profiel "VE.Can VE.Can (250kbit/s)” is. Dit is de standaard en ondersteunt NMEA 2000. Als het GX apparaat en de aggregaat besturing aangesloten zijn, verschijnt de besturing automatisch in de apparatenlijst. |
18.11.4. Onderhoud
Raadpleeg voor onderhoudsinstructies de fiPMG handleiding.
18.11.5. Problemen oplossen
PSU lijst van foutcodes: Raadpleeg www.hatz.com (CAN protocol E serie)
ECU lijst van foutcodes: Raadpleeg www.hatz.com (Diagnostische foutcodes E serie)
18.12. Aggregaatstatus en verbeterde bedrijfsurenuren via een digitale ingang
Voor een nauwkeurige motor status en een verbeterde opvolging van de geaccumuleerde bedrijfsuren op het GX apparaat kan een extra signaalkabel met droog contact worden gebruikt.
Er zijn twee algemene bedradingsopties:
Gebruik een potentiaalvrije uitgang op de aggregaat besturing (indien ondersteund) om de motor status te melden.
Via een AC hulprelais op de AC lijn van het aggregaat, dat een potentiaalvrij contact sluit zodra het aggregaat vermogen begint te leveren.
Ga, om deze functie in te schakelen, naar Instellingen → Integraties → Digitale I/O en stel de respectievelijke ingang als “Aggregaat” in. Als ingesteld is de status van het aggregaat zichtbaar in de Apparatenlijst en wordt de totale bedrijfstijd bepaald, gebaseerd op de status van deze digitale ingang. |
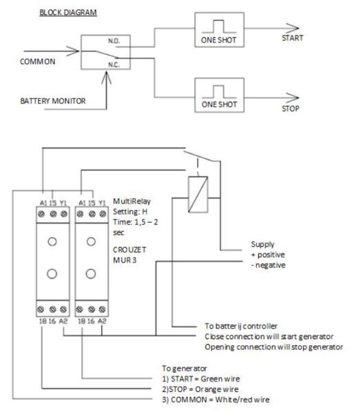
18.13. Bedraden van een aggregaat met een drieaderige interface
Om een aggregaat met een drie aderige interface te starten, moet het open/dicht contact worden omgezet in afzonderlijke start- en stop pulsen. De onderstaande oplossing, via standaard timing relais, bereikt dit door:
Genereren van een startpuls als het open/sluiten contact sluit.
Genereren van een stoppuls als het open/sluiten contact opent.
Belangrijk: Deze methode mag alleen worden gebruikt bij aggregaten die een eigen controlepaneel hebben voor bewaking en automatische uitschakeling bij problemen zoals lage oliedruk. Sluit dit niet rechtstreeks aan op de startmotor of de brandstofmagneetspoel.
![]() |






